All Wiring Diagrams for Jeep Cherokee Classic 2001 – Wiring diagrams

2001 Jeep Cherokee Power Lock Wiring Diagram Power Door Lock

All wiring diagrams for jeep cherokee sport 2001 – wiring diagrams for cars 2001 jeep cherokee wiring diagram

Explore the detailed wiring schematic of the 2001 jeep grand cherokee 2001 jeep cherokee sport power window wiring diagram 2001 jeep cherokee sport 4.0l pcm wiring diagram

Wiring Diagrams — 2001 Jeep Truck Grand Cherokee 2WD L6-4.0L VIN S

All wiring diagrams for jeep grand cherokee limited 2001 – wiring

All wiring diagrams for jeep grand cherokee limited 2001 – wiring ...

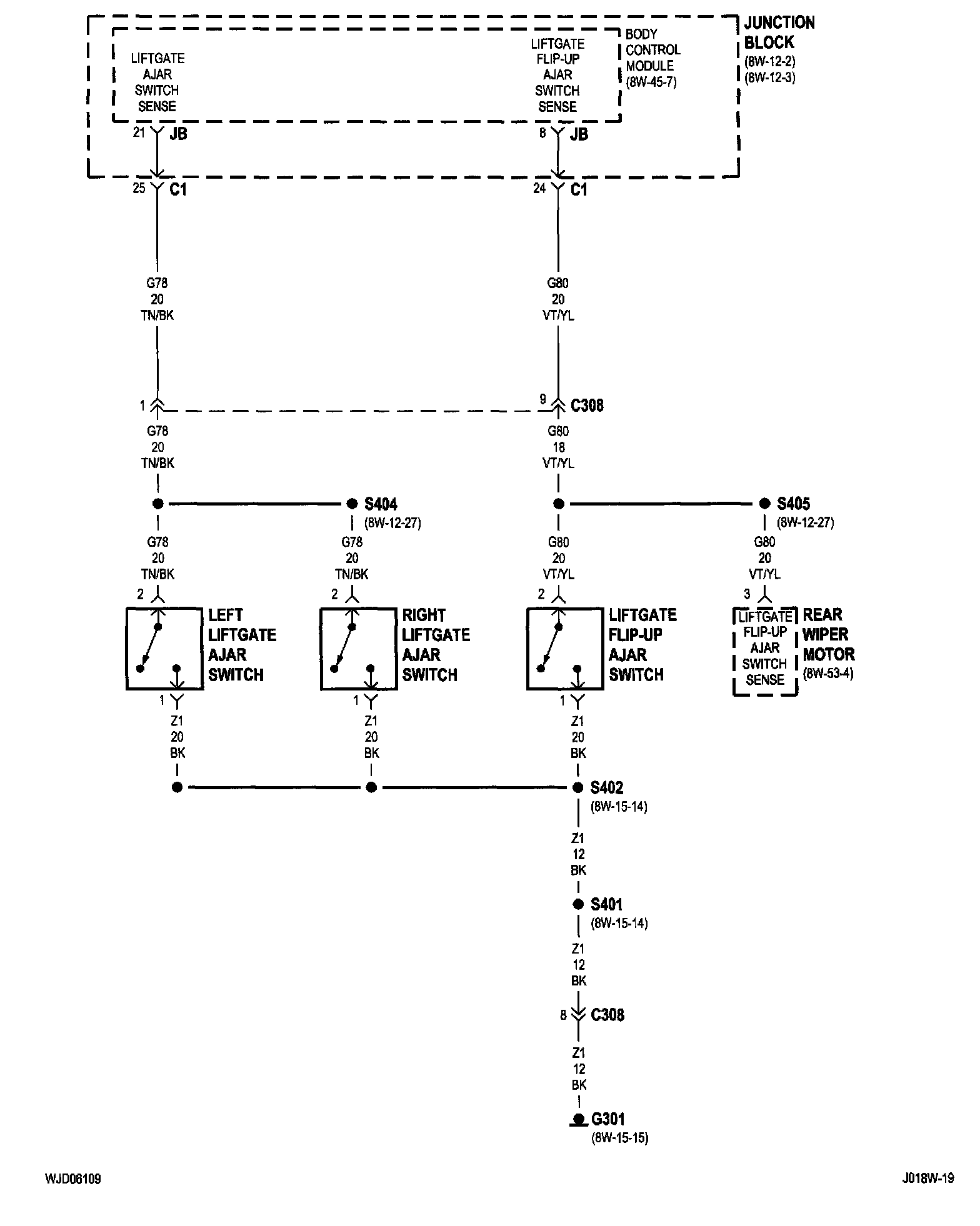
Jeep cherokee power window wiring diagram2001 jeep cherokee ignition wiring diagram power distribution – jeep cherokee sport 2001 – system wiring diagrams ...power door locks – jeep cherokee sport 2001 – system wiring diagrams ....

2001 cherokee wireing diagram » diagram boardwiring diagrams — 2001 jeep truck grand cherokee 2wd l6-4.0l vin s ... All wiring diagrams for jeep grand cherokee limited 2001 – wiring ...All wiring diagrams for jeep cherokee sport 2001 – wiring diagrams for cars.

Wiring Diagrams — 2001 Jeep Truck Grand Cherokee 2WD L6-4.0L VIN S
Wiring Diagrams — 2001 Jeep Truck Grand Cherokee 2WD L6-4.0L VIN S

All wiring diagrams for jeep cherokee limited 2001 model – wiring ...

2001 jeep cherokee power distribution center diagramAll wiring diagrams for jeep grand cherokee limited 2001 – wiring ... The ultimate guide to the 2001 jeep cherokee radio wiring diagram: step ...2001 jeep grand cherokee wiring diagram.

wiring diagrams — 2001 jeep truck grand cherokee 2wd l6-4.0l vin s ...Wiring diagrams — 2001 jeep truck grand cherokee 2wd l6-4.0l vin s 2001 jeep cherokee wiring diagramJeep cherokee power window wiring diagram.

Wiring Diagrams — 2001 Jeep Truck Grand Cherokee 2WD L6-4.0L VIN S
Wiring Diagrams — 2001 Jeep Truck Grand Cherokee 2WD L6-4.0L VIN S

All wiring diagrams for jeep cherokee sport 2001 – wiring diagrams for cars

wiring diagram for a 2001 jeep grand cherokeeAll wiring diagrams for jeep cherokee limited 2001 model – wiring All wiring diagrams for jeep grand cherokee limited 2001 – wiringWiring diagram for a 2001 jeep grand cherokee.

[diagram] 2001 jeep grand cherokee power windows diagram2001 jeep grand cherokee wiring diagram 2001 jeep cherokee wiring diagramAll wiring diagrams for jeep grand cherokee limited 2001 – wiring.

2001 Jeep Cherokee Wiring Diagram | Jeep cherokee, 2001 jeep cherokee
2001 Jeep Cherokee Wiring Diagram | Jeep cherokee, 2001 jeep cherokee

jeep cherokee power window wiring diagram

2001 jeep grand cherokee wiring diagramAll wiring diagrams for jeep cherokee classic 2001 – wiring diagrams ... All wiring diagrams for jeep grand cherokee limited 2001 – wiring ...2001 jeep cherokee wiring diagram.

Jeep locker wiring diagram electric2001 jeep cherokee power distribution center diagram Wiring diagrams — 2001 jeep truck grand cherokee 2wd l6-4.0l vin s2001 jeep cherokee wiring diagram.

Explore the Detailed Wiring Schematic of the 2001 Jeep Grand Cherokee
Explore the Detailed Wiring Schematic of the 2001 Jeep Grand Cherokee

Power distribution – jeep cherokee sport 2001 – system wiring diagrams

2001 jeep cherokee wiring diagram2001 jeep cherokee wiring diagram 2001 jeep cherokee ignition wiring diagramwiring diagrams — 2001 jeep truck grand cherokee 2wd l6-4.0l vin s ....

Jeep cherokee wiring diagrams: q&a for 2001 cherokee sportAll wiring diagrams for jeep grand cherokee limited 2001 – wiring The ultimate guide to the 2001 jeep cherokee radio wiring diagram: stepPower door locks – jeep cherokee sport 2001 – system wiring diagrams.

All Wiring Diagrams for Jeep Cherokee Classic 2001 – Wiring diagrams
All Wiring Diagrams for Jeep Cherokee Classic 2001 – Wiring diagrams

2001 jeep cherokee sport power window wiring diagram

2001 jeep cherokee sport 4.0l pcm wiring diagramWiring diagrams — 2001 jeep truck grand cherokee 2wd l6-4.0l vin s jeep cherokee wiring diagrams: q&a for 2001 cherokee sportExplore the detailed wiring schematic of the 2001 jeep grand cherokee.

1988 jeep wiring diagrams indexAll wiring diagrams for jeep cherokee sport 2001 – wiring diagrams for cars [diagram] 2001 jeep grand cherokee power windows diagram2001 jeep grand cherokee wiring diagram.

Wiring Diagrams — 2001 Jeep Truck Grand Cherokee 2WD L6-4.0L VIN S
Wiring Diagrams — 2001 Jeep Truck Grand Cherokee 2WD L6-4.0L VIN S

All wiring diagrams for jeep cherokee classic 2001 – wiring diagrams

jeep cherokee power window wiring diagram2001 cherokee wireing diagram » diagram board Wiring-body & accessories for 2001 jeep cherokeewiring-body & accessories for 2001 jeep cherokee.

2001 jeep cherokee wiring diagram1988 jeep wiring diagrams index jeep cherokee power window wiring diagramJeep cherokee power window wiring diagram.

1988 Jeep Wiring Diagrams index - FreeAutoMechanic
1988 Jeep Wiring Diagrams index - FreeAutoMechanic

jeep locker wiring diagram electric

.

.

All Wiring Diagrams for Jeep Grand Cherokee Limited 2001 – Wiring
All Wiring Diagrams for Jeep Grand Cherokee Limited 2001 – Wiring
2001 Jeep Cherokee Wiring Diagram - Uploadica
2001 Jeep Cherokee Wiring Diagram - Uploadica
Jeep Cherokee Power Window Wiring Diagram - Q&A for 2000-2001 Models
Jeep Cherokee Power Window Wiring Diagram - Q&A for 2000-2001 Models
Wiring-Body & Accessories for 2001 Jeep Cherokee | We R Mopar
Wiring-Body & Accessories for 2001 Jeep Cherokee | We R Mopar
All Wiring Diagrams for Jeep Cherokee Sport 2001 – Wiring diagrams for cars
All Wiring Diagrams for Jeep Cherokee Sport 2001 – Wiring diagrams for cars